Dverová stanica VIDOS DUO S1401D
Kód: 13117Podrobný popis
Dverová stanica
VIDOS DUO S1401D
Kľúčové vlastnosti
- Kryt z nehrdzavejúcej ocele odolný voči vandalizmu
- Zápustná montáž
- 2,0Mpix fotoaparát, pozorovací uhol objektívu 170°
- Zabudovaný kombinačný zámok s dotykovou klávesnicou
- Osvetlený nápis s názvom.
Účel
Dverová stanica pre jedného účastníka so zabudovaným kódovým zámkom na otváranie vchodu pomocou kódu. Predný panel z brúsenej nehrdzavejúcej ocele je vybavený dotykovou, podsvietenou numerickou klávesnicou. Klávesnica funguje ako vstupný terminál a ako panel na programovanie jednotky. Veľkým komfortom je možnosť ľubovoľného nastavenia farby podsvietenia klávesnice a nápisu pri volaní, rozhovore a otváraní vchodu (RGB). Nočné osvetlenie LED umožňuje pohodlné používanie zariadenia za zhoršených viditeľných podmienok.
Popis produktu
VIDOS DUO SYSTEM Nepolarizované dvojvodičové pripojenie a spolupráca s funkčnými modulmi poskytujú spoľahlivé a veľmi pohodlné inštalačné riešenie, ktoré funguje takmer vo všetkých podmienkach. Zariadenia sa vyznačujú vynikajúcim spracovaním a vlastnosťami, ktoré boli doteraz vyhradené pre výrobky najvyšších sérií. Vkusný dizajn spája všetky výhody systému DUO do jedného celku, čím vzniká prvotriedny výrobok.
Funkcie
- Kryt z nehrdzavejúcej ocele odolný voči vandalizmu
- Zápustná montáž
- 2,0Mpix fotoaparát, pozorovací uhol objektívu 170°
- Zabudovaný kombinačný zámok s dotykovou klávesnicou
- Osvetlený nápis s názvom.
- Podsvietenie klávesnice a nápisov možno meniť (RGB)
- Nočné osvetlenie LED - (biele svetlo)
- Programovanie klávesnice pomocou funkčných kódov.
- 1 reléový výstup (druhé relé s modulom B5)
- Podporuje otvárače dverí a elektromagnetické prepojky
- 12 V výstup na napájanie nízkoprúdového otvárania dverí
- Maximálny počet podporovaných vnútorných jednotiek - 12.
- Podporuje funkciu adresovaného interkomu
- Trieda ochrany IP54
- Rozmery: 220 x 120 x 50 mm
- 2-žilové pripojenie k celému systému.
Kompatibilný so všetkými monitormi a unifónmi série DUO
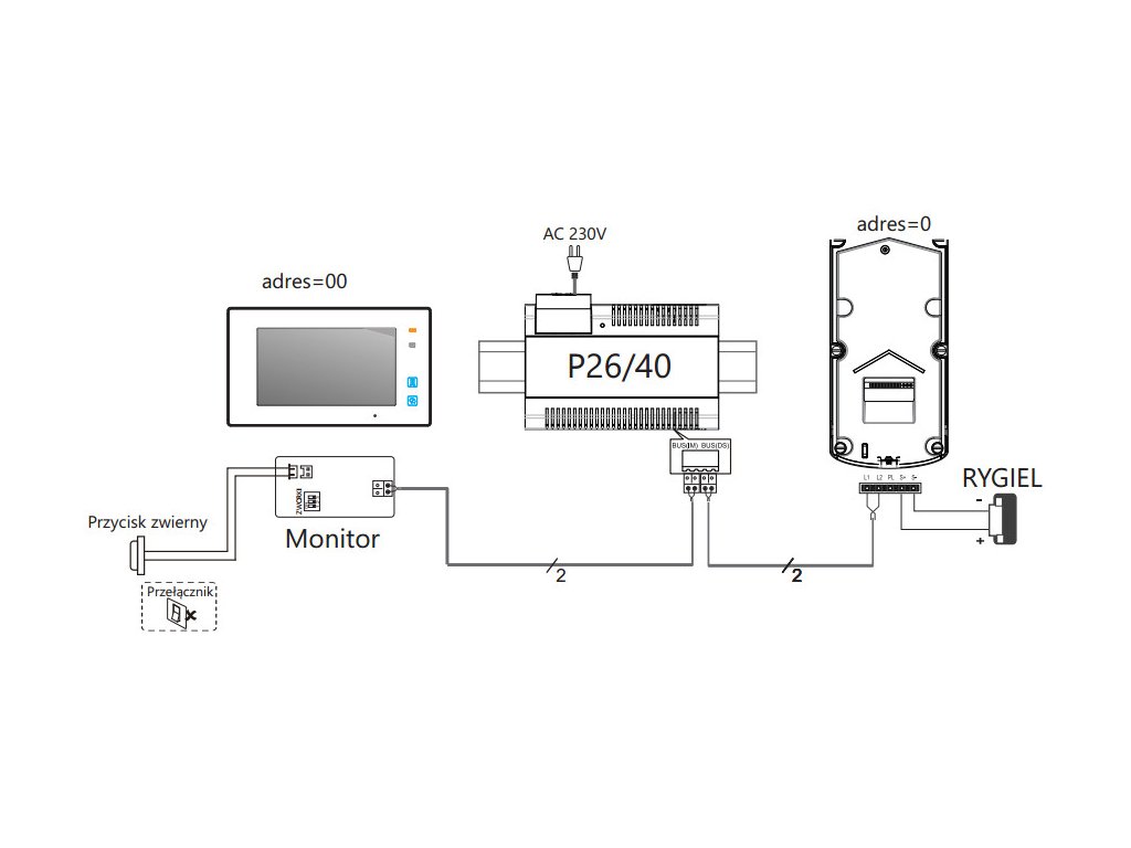
Schéma zapojenia
Špecifikácia
- Napájanie : 24 V DC
- Napájanie otvárača dverí : 12V DC max.250mA
- Spotreba energie 0,96 W v pohotovostnom režime / 3,84 W pri práci
- Reléové výstupy : 1 alebo 2 s modulom B5
- Parametre videosignálu : 1Vp-p 75 ohm CCIR
- Maximálne zaťaženie kontaktov relé : 6A
- Rozlíšenie : 2.0Mpix
- Uhol pohľadu objektívu : 170 stupňov
- Montáž : skryté
- Rozsah prevádzkových teplôt : -18˚ C ~ +55 C
- Stupeň ochrany : IP54
- Vonkajšie rozmery : 220 x 120 x 50 mm
Dodatočné parametre
| Kategória: | Vonkajšie panely pre videotelefóny |
|---|---|
| Záruka: | 2 roky |
| Hmotnosť: | 2 kg |
| EAN: | 5907281206303 |
| Horizontálny uhol pohľadu kamery: | 170 ° |
| Ďalšie funkcie: | Zabudovaný kombinačný zámok |
| Obrazový snímač fotoaparátu: | 2.0Mpix |
| Počet pripojovacích káblov: | 2 + 2 |
| Spolupráca so systémami: | VIDOS DUO |
| Typ montáže na panel: | Pod omietkou |
| Typ nočnej kamery: | LED dióda |
| Veľkosť v mm (Š x V x H): | 220 x 120 x 50 mm |
| Zabudovaná kamera: | Áno |
Hodnotenie tovaru
Buďte prvý, kto napíše príspevok k tejto položke.
Diskusia
Buďte prvý, kto napíše príspevok k tejto položke.
